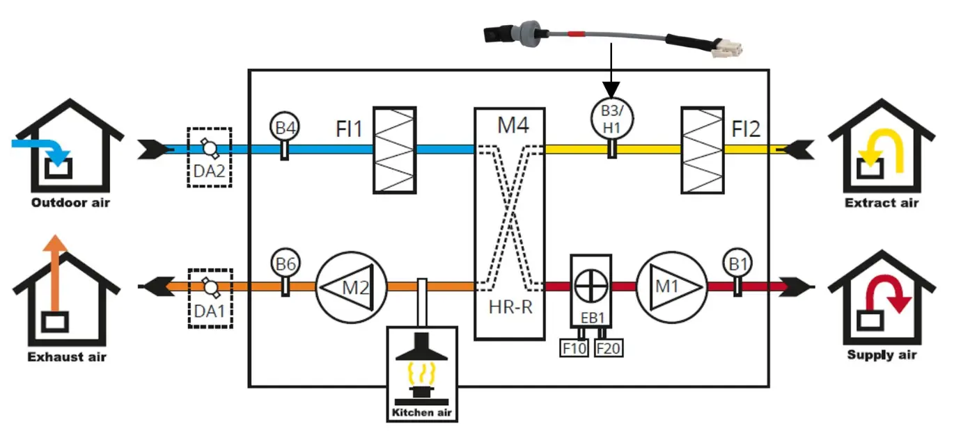
The humidity sensor in the ventilation unit measures an average moisture value from all exhaust air points in the home.
Normally, you regulate on fixed limit values, but Flexit's moisture sensor reacts to small and rapid changes in the moisture content with the help of a smart algorithm. The function is easily activated via Flexit GO or NordicPanel.

Built-in humidity management provides the following benefits
- There are no absolute limit values to set.
- The function is independent of the season in terms of varying humidity levels.
- The risk of failure or failure to activate due to fluctuating humidity levels is minimised when absolute humidity levels do not need to be specified.
- When activated, the dehumidification function starts and it is active until the humidity level drops + a delay time. The unit will then return to normal operation
Necessary parameters can be adjusted with the Flexit GO app.
